|
|
| 1960 | BUMPER | - |  |  |  | - |
| 1960 | COIN CHUTE | - |  |  | - | - |
| 1960 | BALL HOLLE | - |  | - | - | - |
| 1960 | BALL PUSH | - |  | - | - | - |
| 1960 | BALL RETURN | - |  | - | - | - |
| 1960 | BELL ASSEMBLY | - |  |  | - | - |
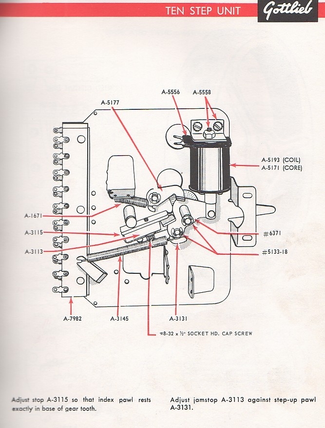
| 1960 | STEP | - |  |  |  | - |
| 1960 | HOLE KICKER | - |  | - | - | - |
| 1960 | TILT | - |  | - | - | - |
| 1960 | ROTO VARI TARGET | - |  |  | - | - |
| 1960 | RELAY BANK | - |  | - | - | - |
| 1960 | REPLAY UNIT | - |  | - | - | - |
| 1960 | SPECIAL PARTS | - |  | - | - | - |
| 1960 | FRONT DOOR | - |  |  | - | - |
| 1960 | PLUNGERS | - |  | - | - | - |